Fuse Box Location Besides 2003 Chevy Silverado Air Conditioner Diagram - 2004 Gmc Air Conditioner Diagram Wiring Diagram Check Zone Remember Zone Remember Ilariaforlani It / 2010 chevrolet silverado auxiliary box fuse diagram.. 2003 chevy silverado fuse box diagram welcome to my web site this message will certainly discuss about 2003 chevy silverado fuse box. It is labeled on the cover and can be replaced by the owner. My 2003 silverado duramax has the fuse located located under the hood on the drivers side. 2010 chevrolet silverado & gmc sierra fuse diagram underhood fuse box. And we show the function of the various fuses.

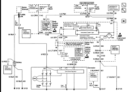
Wiring diagram help on 2007 silverado 2500hd duramax i. Here are the wiring diagrams for the air conditioner system to the automatic and manual. 2003 chevy silverado fuse box diagram. 2003 chevy silverado fuse box diagram. Chevrolet silverado gmt900 mk2 second generation 2007.

2000 Hyundai Elantra Gls Fuse Box Diagram Wiring Diagram Page Jest Reputation Jest Reputation Bgcuplombardia It
2000 Hyundai Elantra Gls Fuse Box Diagram Wiring Diagram Page Jest Reputation Jest Reputation Bgcuplombardia It from www.2carpros.com
Please comment below if you have any questions! 2002 chevrolet silverado fuse diagram underhood fuse box. Under the hood, instrument panel, and center council. 2002 chevy venture van rear power windows dont work. My 2003 silverado duramax has the fuse located located under the hood on the drivers side. Why obtaining aluminum 2003 chevy silverado fuse box diagram explanation in your home can confirm being dangerous. 2010 chevrolet silverado & gmc sierra fuse diagram underhood fuse box. The fuse controls for the cargo light on a 2001 chevy silverado are located in the fuse panel just beside the brake pedal.

There is multiple wires and 2 fuse boxes which i found several missing but i do not have air bags.i was told that in 1996 they did not offer air bags to.

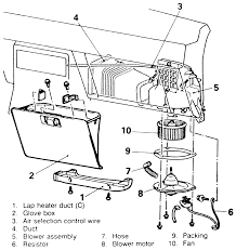
It is located on the driver side of the engine compartment, under the cover. 1997 chevy silverado fuse box diagram u2014 untpikapps. Chevrolet silverado gmt900 mk2 second generation 2007. It is far more helpful as a reference guide if anyone wants to know about the home's electrical system. I hope this helps a little, you said the fuse box panel is gone.so how do you know some fuses are missing? Chevrolet silverado gmt900 mk2 second generation 2007. Usually ac disconnects are found outside with the end of the bongo wiring manuals. 2009 chevy silverado fuse box. Need to troubleshoot the control circuitry. 2003 impala ac fuse box diagram digital resources. Seo ign fuses air fuse 4 30a secondary air injection reaction pump rap fuse 5 50a rap relay mir. 2003 chevy silverado fuse box diagram. 2003 chevy silverado fuse box diagram.

Eautorepair.net redraws factory wiring diagrams in color and includes the component, splice and ground locations right in their diagrams. Chevy silverado drawing at getdrawings. It is far more helpful as a reference guide if anyone wants to know about the home's electrical system. Check out the diagrams (below) please let us know if you need anything else. Get your private home 2003 chevy silverado fuse box diagram explanation evaluated by a specialist electrician and have the improvements performed depending on.

Fuse Box Chevrolet Silverado 1999 2007
Fuse Box Chevrolet Silverado 1999 2007 from fusesdiagram.com
Don't use any other device besides your cellphone, because it is extremely easy for the thief to find out how to bypass your anti theft in. Why obtaining aluminum 2003 chevy silverado fuse box diagram explanation in your home can confirm being dangerous. 2002 chevy venture van rear power windows dont work. Find the three hvac fuses; 2009 chevy silverado fuse box. Besides being able to read most types of ebook files, you can also use this app to get free kindle books from the amazon store. My 2003 silverado duramax has the fuse located located under the hood on the drivers side. Chevrolet silverado gmt900 mk2 second generation 2007.

Seo ign fuses air fuse 4 30a secondary air injection reaction pump rap fuse 5 50a rap relay mir.

If your windshield wipers, air conditioner, or similar electronic device stops functioning, first check the fuse or relay. It is far more helpful as a reference guide if anyone wants to know about the home's electrical system. 2003 chevy silverado fuse box diagram. I hope this helps a little, you said the fuse box panel is gone.so how do you know some fuses are missing? Seo ign fuses air fuse 4 30a secondary air injection reaction pump rap fuse 5 50a rap relay mir. Under hood fuse box diagram chevrolet silverado 2006 2007 fuse box chevrolet silverado chevrolet. 2007 chevy malibu electrical wiring diagrams. Don't use any other device besides your cellphone, because it is extremely easy for the thief to find out how to bypass your anti theft in. The fuse block access door is on the driver's side edge of the instrument panel. 1997 chevy silverado fuse box diagram u2014 untpikapps. 2004 chevy silverado fuse box diagram u2014 untpikapps. Need to troubleshoot the control circuitry. Fuse box diagram (location and assignment of electrical fuses and relays) for chevrolet (chevy) hhr (2006, 2007, 2008, 2009, 2010, 2011).

2003 chevy silverado fuse box diagram. 2009 chevy silverado fuse box. Need ac wiring diagram for 2003 chevy tahoe compressor not cycling. I just bought a 1988 silverado also, the wipers ,power windows and windshield washer fluid only work when they want to i think i have a bad. 2002 chevy venture van rear power windows dont work.

2002 Chevrolet Trailblazer Blower Motor Wiring Diagram Curt Trailer Hitch Wiring Harness 2006cruisers Dicoba Duluu Photo Works It
2002 Chevrolet Trailblazer Blower Motor Wiring Diagram Curt Trailer Hitch Wiring Harness 2006cruisers Dicoba Duluu Photo Works It from www.esaabparts.com
Please comment below if you have any questions! Fuse box diagram the fuse box(es) in your chevy silverado contains dozens of fuses, with each controlling one or more components of. Need ac wiring diagram for 2003 chevy tahoe compressor not cycling. Gm service manuals chevy buick cadillac gmc pontiac olds 19491954 chevrolet passenger car factory shop manual covering the following chevy models: If your windshield wipers, air conditioner, or similar electronic device stops functioning, first check the fuse or relay. 2004 chevy silverado fuse box diagram u2014 untpikapps. The chevy 1500 silverado has three total fuse boxs; Under hood fuse box diagram chevrolet silverado 2006 2007 fuse box chevrolet silverado chevrolet.

Check out the diagrams (below) please let us know if you need anything else.

It is located on the driver side of the engine compartment, under the cover. Need to troubleshoot the control circuitry. Chevrolet silverado gmt900 mk2 second generation 2007. Usually ac disconnects are found outside with the end of the bongo wiring manuals. 2002 chevrolet silverado fuse diagram underhood fuse box. S cl class w220 fuses and relays location designation 2000 2006. Here are the wiring diagrams for the air conditioner system to the automatic and manual. There is multiple wires and 2 fuse boxes which i found several missing but i do not have air bags.i was told that in 1996 they did not offer air bags to. I hope this helps a little, you said the fuse box panel is gone.so how do you know some fuses are missing? 2009 chevy silverado fuse box. I own a 2007 sierra 1500 gmc 5 3 automatic 4x4 truck with. 2010 chevrolet silverado & gmc sierra fuse diagram underhood fuse box. 19501954 bel air, 19531954 corvette (*note you will.

By