1982 Ford Fuse Box Diagram / 1982 Ford F 250 Fuse Box Diagram Diagram Base Website Box Diagram Hrdiagramtemplate Verosassi It - Seeking information about land rover discovery fuse box diagram?. 2008 ford f150 fuse diagram central junction box.jpg. Fuse and relay information cell 11 this section will contain information about all fuse and relay boxes in the vehicle. Location of fuse boxes, fuse diagrams, assignment of the electrical fuses and relays in ford vehicles. 1 10 windshield wiper motor, instrument cluster (ic), audio control module (acm), ignition switch 2 20 indicator flasher relay, brake pedal position switch 3 7.5 exterior rear view mirror switch, seat control switch, driver side front, driver seat. My fusebox is literally blackened (i don't see the numbers) and my car electronics is doing some weird stuff.

So i see nothing labeled brake or stop lights in that diagram. Location of fuse boxes, fuse diagrams, assignment of the electrical fuses and relays in ford vehicles. Fuse panel diagram ford ltd crown victoria, country squire, custom 500 and mercury marquis, grand marquis, colony park (1979, 1980, 1981, 1982). Fuso truck fuses box schema. This image shows the under dash fuse box layout for a 1987 to 1993 ford mustang.

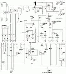
1982 Corvette Fuse Panel Diagram Wiring Diagram Save Blame Slide A Blame Slide A Citisceramiche It
1982 Corvette Fuse Panel Diagram Wiring Diagram Save Blame Slide A Blame Slide A Citisceramiche It from motogurumag.com
Alibaba.com offers 849 ford fuse box products. Any know where i can get one? Fuso engine electric management system schematics. All automotive fuse box diagrams in one place. You can find a fuse panel diagram for a 1986 ford ranger xl in the owner's manual. You might be a service technician that intends to search for referrals or address existing problems. My fusebox is literally blackened (i don't see the numbers) and my car electronics is doing some weird stuff. I need to know where to put the brake light fuse in the fuse box, we lost the cover for a 2006 ford 350 super duty.

Com ( no spaces ) click on owner guides the fuse panel diagram is in the owner guide.

Have a 2002 f35 hd 7.3 diesel, no stop lights tried everything , don't have manual need a fuse box diagram to tell me what fuse is for what function. This box contains relays for the electronic shift on the fly (esof) system. My fusebox is literally blackened (i don't see the numbers) and my car electronics is doing some weird stuff. 1 10 windshield wiper motor, instrument cluster (ic), audio control module (acm), ignition switch 2 20 indicator flasher relay, brake pedal position switch 3 7.5 exterior rear view mirror switch, seat control switch, driver side front, driver seat. You might be a service technician that intends to search for referrals or address existing problems. Fuso engine electric management system schematics. Fuse and relay information cell 11 this section will contain information about all fuse and relay boxes in the vehicle. Alibaba.com offers 849 ford fuse box products. Really nobody can find the ford fuse box diagram necessary to himself?! You can view the fuse panel diagram online at : All ford fusion i info & diagrams provided on this site are provided for general information purpose only. Ford f350 2003 fuse box/block circuit breaker diagram. Location of fuse boxes, fuse diagrams, assignment of the electrical fuses and relays in ford vehicles.

So i see nothing labeled brake or stop lights in that diagram. You can find a fuse panel diagram for a 1986 ford ranger xl in the owner's manual. Any know where i can get one? Ford stopped imprinting fuse locations and assignments on box covers before 1998, and if you do not have the owner's manual, you have to buy a shop manual this diagram helped me tremendously. For the ford expedition first generation, 1997, 1998, 1999, 2000, 2001, 2002 model year.

1982 Corvette Fuse Panel Diagram Wiring Diagram Save Blame Slide A Blame Slide A Citisceramiche It
1982 Corvette Fuse Panel Diagram Wiring Diagram Save Blame Slide A Blame Slide A Citisceramiche It from motogurumag.com
I need to know where to put the brake light fuse in the fuse box, we lost the cover for a 2006 ford 350 super duty. Fuse and relay information cell 11 this section will contain information about all fuse and relay boxes in the vehicle. You can also find it at select auto part stores. All ford fusion i info & diagrams provided on this site are provided for general information purpose only. Really nobody can find the ford fuse box diagram necessary to himself?! Cooling fan, data link connector, instrument cluster, headlamp, air bags, constant control relay module, room and … 1984 jaguar xj40 engine fuse box diagram. A wide variety of ford fuse box options are available to you, such as usage, safety standards, and breaking capacity. 57 people found this helpful.

All ford fusion i info & diagrams provided on this site are provided for general information purpose only.

Cooling fan, data link connector, instrument cluster, headlamp, air bags, constant control relay module, room and … 1984 jaguar xj40 engine fuse box diagram. The arrangement and count of fuse boxes of electrical safety locks established under the hood, depends on car model and make. I need the diagram for the fuses under the hood. Com ( no spaces ) click on owner guides the fuse panel diagram is in the owner guide. Fuse panel diagram ford ltd crown victoria, country squire, custom 500 and mercury marquis, grand marquis, colony park (1979, 1980, 1981, 1982). You can also find it at select auto part stores. Then it must be the fuse, but i can't figure which fuse it is. 1 10 windshield wiper motor, instrument cluster (ic), audio control module (acm), ignition switch 2 20 indicator flasher relay, brake pedal position switch 3 7.5 exterior rear view mirror switch, seat control switch, driver side front, driver seat. Fuse and relay information cell 11 this section will contain information about all fuse and relay boxes in the vehicle. 57 people found this helpful. A wide variety of ford fuse box options are available to you, such as usage, safety standards, and breaking capacity. You can find a fuse panel diagram for a 1986 ford ranger xl in the owner's manual. 2008 ford f150 fuse diagram central junction box.jpg.

Where can i get a fuse diagram for the both fuse boxes under the hood and under the dash because they are numbered? My glove box doesn't work. 57 people found this helpful. Any know where i can get one? Then it must be the fuse, but i can't figure which fuse it is.

1982 Ford F 150 Fuse Box Diagram 2014 Duramax Fuel Filter Begeboy Wiring Diagram Source
1982 Ford F 150 Fuse Box Diagram 2014 Duramax Fuel Filter Begeboy Wiring Diagram Source from www.justanswer.com
1 10 windshield wiper motor, instrument cluster (ic), audio control module (acm), ignition switch 2 20 indicator flasher relay, brake pedal position switch 3 7.5 exterior rear view mirror switch, seat control switch, driver side front, driver seat. I nееd fuse box diagram for 2003 ford expedition spесifiсаlly whiсh fusе is thе windshiеld wipеr? I need the diagram for the fuses under the hood. Alibaba.com offers 849 ford fuse box products. Ford stopped imprinting fuse locations and assignments on box covers before 1998, and if you do not have the owner's manual, you have to buy a shop manual this diagram helped me tremendously. 2003 ford sport trac fuse box diagram 2003 ford sport trac fuse box map fuse panel layout diagram parts: Ford the purpose of the location and fuse. So i see nothing labeled brake or stop lights in that diagram.

Location of fuse boxes, fuse diagrams, assignment of the electrical fuses and relays in ford vehicles.

Ford f350 2003 fuse box/block circuit breaker diagram. Fuse and relay information cell 11 this section will contain information about all fuse and relay boxes in the vehicle. It all started when i threw my keys accidentally into the cig lighter (yeah fricking idiot ). You might be a service technician that intends to search for referrals or address existing problems. I need to know where to put the brake light fuse in the fuse box, we lost the cover for a 2006 ford 350 super duty. Fuso engine electric management system schematics. Ford the purpose of the location and fuse. Fuse panel diagram ford ltd crown victoria, country squire, custom 500 and mercury marquis, grand marquis, colony park (1979, 1980, 1981, 1982). Where can i get a fuse diagram for the both fuse boxes under the hood and under the dash because they are numbered? This box contains relays for the electronic shift on the fly (esof) system. I check the light and the switch. 2008 ford f150 fuse diagram central junction box.jpg. So i see nothing labeled brake or stop lights in that diagram.

By